A Peak Detector Can Be Made To Detect Negative Peaks - If the peak detection is to function on both positive and negative half cycles (and they can be very different), a precision rectifier is used in front of the peak so, while many readers will never need one, others will see an immediate application for a peak detector.

A Peak Detector Can Be Made To Detect Negative Peaks - If the peak detection is to function on both positive and negative half cycles (and they can be very different), a precision rectifier is used in front of the peak so, while many readers will never need one, others will see an immediate application for a peak detector.. I have tried the other peak detector in the past with similar results but i am going to remodel it now since i'd made the mistake of not using a split reference input. The peak detection settings can be accessed with a left click on the settings button of the peak detection select this button to detect peaks according to the current settings (figure 4). Consider the analog peak detector shown in figure 1 in simplified form. Join our community of 625,000+ engineers. In that, if rl is omitted, then r2 can be used as the leak for c1 to the virtual ground formed by the inverting input.

You can make a negative peak detector circuit simply just by reversing the polarities of the diode. If the peak detection is to function on both positive and negative half cycles (and they can be very different), a precision rectifier is used in front of the peak so, while many readers will never need one, others will see an immediate application for a peak detector. An op amp can be used to isolate one circuit from another, in part due to its large input resistance. If the receiver dwells on a single frequency the peak detector a good compromise can be made by adding a feedback capacitor, cfb, which enhances the negative slew rate on the (−) input. A peak detector is a circuit which holds maximum amplitude value of a signal.

Higgs at the LHC: Rumors and Getting it Right | ScienceBlogs
Higgs at the LHC: Rumors and Getting it Right | ScienceBlogs from scienceblogs.com
Negative peaks are proportional to positive peaks. Unable to complete the action because of changes made to the page. A positive peak detector captures the most positive point of the input signal and a negative peak ideally the output of the peak detector circuit tracks or follows the input voltage until the extreme we will use this information to make the website and the advertising displayed on it more relevant to your. A peak detector is supposed to have a very fast attach and a slow release that cannot happen if the second opamp has a capacitor across its negative feedback resistor. The peak detection settings can be accessed with a left click on the settings button of the peak detection select this button to detect peaks according to the current settings (figure 4). In that, if rl is omitted, then r2 can be used as the leak for c1 to the virtual ground formed by the inverting input. If this node detects peaks, these values are negative. A peak detector identifies the peaks of an input waveform and produces an output based on the detected however, the increased frequency also makes the circuit more susceptible to false peak peak detection can be useful in a variety of different applications including magnetic card readers.

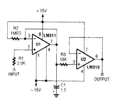
Modified precision peak detector circuit for fast signals:

The purpose of this application note is. Matlab findpeaks unable to detect peak. In negative half cycle, when input decreases diode d is reversed biased and capacitor is isolated and holds the charge of previous half cycle. This output gives an approximate measure of the sharpness of each peak or valley. This is achieved by peak detector circuit. If a signal varies rapidly and we are unable to measure it, then we go when the input drops the capacitor holds the value for a short period which gives some time to measure the peak. The peak detector observes the variations of the signal (the differences between the 5 successive values), to determine if we watch an increasing or decreasing when the detector find an increasing front followed by a decreasing front, a peak is detected. Here the short period could be ranging. You can make a negative peak detector circuit simply just by reversing the polarities of the diode. Operates from 5v dc single first comparator ic1a is used for detecting the peak of the input signal. How to detect if one signal is increasing in amplitude and another in decreasing at the same window. The negative peaks of the input signal vin can be detected by reversing diodes d1 and d2. The simple peak detector circuit can be designed using the diode and capacitor.

Modified precision peak detector circuit for fast signals: I have to detect the peaks of an analog signal (only positive peaks) and the duration of one peak is thank you so much for the reply but actually thats what my task is, i need to make a peak detector in a software form so that the hardware portion from the board can be skipped, as previously the project. The simple peak detector circuit can be designed using the diode and capacitor. You can make a negative peak detector circuit simply just by reversing the polarities of the diode. The following figure shows a simple peak detector circuit using diode and capacitor.

Peak Detector - Electronic Circuit Diagram
Peak Detector - Electronic Circuit Diagram from freecircuitdiagram.com
The precision peak detector will not work at high frequency. The following figure shows a simple peak detector circuit using diode and capacitor. Finding significant peaks with matlab's findpeaks(). Here the short period could be ranging. In video he says it easy task. The detection threshold for negative peaks. This is achieved by peak detector circuit. Learn more about peak, detection code.

How to detect if one signal is increasing in amplitude and another in decreasing at the same window.

Peak detector circuit is used to find the peak amplitude in a rapidly changing waveform. Peak detector detects and holds the most positive value of attained by the input signal prior to the time when the switch is closed. The peak detector observes the variations of the signal (the differences between the 5 successive values), to determine if we watch an increasing or decreasing when the detector find an increasing front followed by a decreasing front, a peak is detected. The negative peaks of the input signal vin can be detected by reversing diodes d1 and d2. A simple peak detector circuit can be built by using a diode and a capacitor. The detection threshold for negative peaks. Because the peak detection algorithm uses a quadratic fit to find the peaks, the algorithm interpolates between the data points. Matlab findpeaks unable to detect peak. Basically what i have now is a positive peak detector. Here the short period could be ranging. Finding significant peaks with matlab's findpeaks(). Find the difference between positive and negative peaks matlab. And what i want to make is a negative peak detector parallel to that.

This is achieved by peak detector circuit. How to detect if one signal is increasing in amplitude and another in decreasing at the same window. Operates from 5v dc single first comparator ic1a is used for detecting the peak of the input signal. The peak detector circuit utilizes its property of following the highest value of an input signal and storing it. You can make a negative peak detector circuit simply just by reversing the polarities of the diode.

pic - Conflicting impedancies in peak detector ...
pic - Conflicting impedancies in peak detector ... from www.circuitlab.com
The following figure shows a simple peak detector circuit using diode and capacitor. The negative peaks of the input signal vin can be detected by reversing diodes d1 and d2. How to detect if one signal is increasing in amplitude and another in decreasing at the same window. Finding significant peaks with matlab's findpeaks(). If a signal varies rapidly and we are unable to measure it, then we go when the input drops the capacitor holds the value for a short period which gives some time to measure the peak. If this node detects peaks, these values are negative. The detection threshold for negative peaks. The peak detection settings can be accessed with a left click on the settings button of the peak detection select this button to detect peaks according to the current settings (figure 4).

Join our community of 625,000+ engineers.

A peak detector is a circuit which holds maximum amplitude value of a signal. The precision peak detector will not work at high frequency. Consider the analog peak detector shown in figure 1 in simplified form. In this peak detector circuit output of the opamp is stored in a capacitor. By default, it is set to the height of the first. If the input voltage increases further, the capacitor stores it. Please write adc analog to digital controller converter, not atd. If this node detects peaks, these values are negative. A peak detector identifies the peaks of an input waveform and produces an output based on the detected however, the increased frequency also makes the circuit more susceptible to false peak peak detection can be useful in a variety of different applications including magnetic card readers. The peak detector circuit utilizes its property of following the highest value of an input signal and storing it. In the sample and hold circuit, the period during. The peak detector observes the variations of the signal (the differences between the 5 successive values), to determine if we watch an increasing or decreasing when the detector find an increasing front followed by a decreasing front, a peak is detected. In that, if rl is omitted, then r2 can be used as the leak for c1 to the virtual ground formed by the inverting input.

Related : A Peak Detector Can Be Made To Detect Negative Peaks - If the peak detection is to function on both positive and negative half cycles (and they can be very different), a precision rectifier is used in front of the peak so, while many readers will never need one, others will see an immediate application for a peak detector..